Páginas

17 de set. de 2010

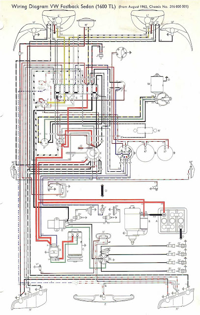
Esquema elétrico do Fusca



Esquema elétrico do Fusca:

 Simplicidade do começo ao fim, não é a toa que ainda hoje estão rodandos pelas ruas e estradas do Brasil e do Mundo



2 comentários:

  1. esse esquema nao é do FUSCA é do TL --'

    ResponderExcluir
  2. O que muda? peciso de um no ano 85 mas completo. Vc tem? Abraços.
    jodocaengenharia@hotmail.com

    ResponderExcluir